Image

Система обработки данных АС-6

f4f85da67cc9cd78d4c6c1e6bf0a7bbd 592a67c85a15404a120b178b2c1d96db c29f94da87aef3872a6b6381f6aca566

Главный конструктор: член-корр. АН СССР В. А. Мельников, заместители: А. А. Соколов, Л. Н. Королев, В. П. Иванников. Основные разработчики: В. И. Смирнов, В. Л. Ли, М. В. Тяпкин, Л. А. Зак, В. С. Чехлов, Ю. И. Митропольский, Ю. Н. Знаменский, В. А. Жуковский, Л. Ф. Чайковский, А. В. Аваев, В. С. Новизенцев, О. К. Щербаков, В. Ф. Жиров, М. А. Головина, Г. В. Степанов, А. И. Журавлев и др.; ведущие разработчики ПО: А. Н. Томилин, А. Ю. Бяков, С. Д. Кузнецов, И. Б. Бурдонов, А. С. Косачев, В. И. Максаков, М. Г. Чайковский, В. А. Коликов и др.

Организации-разработчики: Институт точной механики и вычислительной техники (ИТМ и ВТ) АН СССР и Московский завод счетно-аналитических машин (САМ).

Завод-изготовитель: Московский завод счетно-аналитических машин (САМ).

Год окончания разработки: 1975.

Год начала серийного выпуска: 1977.

Год прекращения производства: 1987.

Число выпущенных систем: 8.

Область применения: система обработки данных АС-6 предназначена для решения больших научных и экономических задач, задач обработки информации и управления. Система может функционировать в режиме дистанционной пакетной обработки, в режиме коллективного пользования и в режиме реального времени.

Применялась в Центре управления полётами в г. Калининград (ныне Королёв).

Описание машины

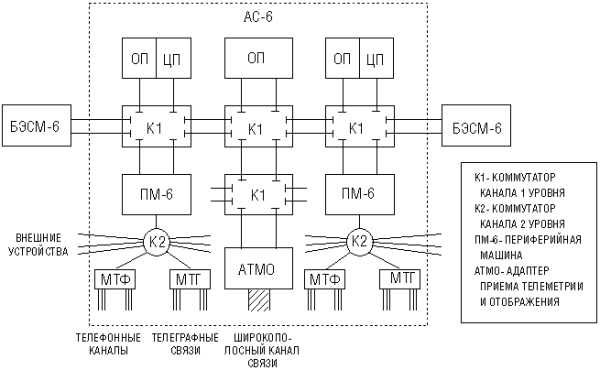
Система АС-6 обладает трехуровневой структурой.

Первый уровень составляют высокопроизводительные процессоры, блоки оперативной памяти и средства для объединения этих устройств в единый комплекс. Устройства, входящие в эту группу, связываются между собой при помощи наиболее быстрого канала (канал 1-го уровня).

Подготовка информации для центрального комплекса является основной задачей второго уровня АС-6, который представляет собой аппаратно-программный комплекс, обеспечивающий подключение к центральному комплексу внешних накопителей, устройств ввода-вывода, каналов связи и средств отображения. Средством связи между устройствами здесь служит унифицированный канал (канал 2-го уровня).

Внешние устройства, подключаемые к системе, составляют третий уровень АС-6. Устройства третьего уровня подключены к системе при помощи стандартного канала ввода-вывода ЕС ЭВМ.

Структура и состав системы не являются фиксированными и могут изменяться в соответствии со спецификой решаемых задач, что обеспечивается модульным принципом построения системы, которая представляет собой набор функционально законченных устройств (модулей) и унифицированных средств связи и коммутации для их объединения.

Широкий набор модулей и средств коммутации системы АС-6 позволял компоновать сложные многомашинные и многопроцессорные комплексы с различной производительностью, объемом оперативной памяти, составом и объемом внешней памяти, количеством и номенклатурой устройств ввода-вывода, числом и пропускной способностью каналов передачи информации в соответствии с требованиями потребителя.

Элементная база

Транзисторные переключатели тока и диодно-резисторная комбинаторная логика, аналогичная использованной в ЭВМ БЭСМ-6.

Конструкция

Компактные стойки с короткими связями между блоками с использованием внутреннего монтажа в стойке с двусторонним расположением ячеек. В отличие от конструкции ЭВМ БЭСМ-6 в ряде стоек (шкафов) применено автономное воздушное охлаждение.

Программное обеспечение

Типовое математическое обеспечение системы АС-6 состоит из следующих основных компонентов:

• операционной системы ЦП АС-6;

• операционной системы ПМ-6;

• систем программирования;

• тестов и обслуживающих программ.

ОС ЦП АС-6 была реализована таким образом, что допускала взаимодействие до 16 процессоров, подключенных к каналу 1-го уровня.

ОС ПМ-6 управляла внешними устройствами, терминалами и линиями связи, синхронизируя доступ к этим элементам со стороны других ОС. В распределенной системе АС-6 обеспечивался удаленный вызов и выполнение заданий.

Поскольку во всех произведенных системах АС-6 были подключены на первом уровне (с помощью канала 1-го уровня) ЭВМ БЭСМ-6, в типовое математическое обеспечение системы АС-6 входило также и программное обеспечение БЭСМ-6.

«Общая» операционная система АС-6 состояла из равноправно взаимодействующих операционных систем ЦП АС-6, БЭСМ-6, ПМ-6.

В состав систем программирования на ЦП входят трансляторы с машинно-ориентированных языков с макрогенераторами, трансляторы с высокоуровневых языков Фортран, Алгол и Астра.

Тесты и сервисные программы, входящие в состав МО АС-6, облегчали обслуживание и проведение профилактических работ.

Технико-эксплуатационные характеристики

Среднее быстродействие — до 1,5 млн. одноадресных команд/с (на один ЦП)

Рабочая частота — 10 МГц

Занимаемая площадь — 150–200 кв. м (для минимального комплекта системы)

Потребляемая мощность от сети 220 В/50 Гц — 50 КВт (без системы воздушного охлаждения)

Особенности АС-6

В АС-6 нашли отражение многие оригинальные решения по построению многомашинных систем с переменной структурой, позволяющих эффективно решать задачи управления и обработки информации в реальном масштабе времени.

Центральный процессор предназначен для выполнения вычислений и логической обработки данных большого объема и для осуществления управления многомашинными и многопроцессорными комплексами. В нем нашли дальнейшее развитие структура и схемотехника БЭСМ-6, в то же время он обладает существенно большими возможностями, чем процессор БЭСМ-6. За счет расширения количества форматов данных, обрабатываемых операциями универсального и специализированного набора, достигается ускорение обработки данных информационно-логического характера.

ЦП обладает производительностью порядка 1,5 млн. операций в секунду. Оперативная память, непосредственно включенная в состав ЦП, — 256 тыс. 50-разрядных слов, но благодаря наличию высокоскоростного унифицированного канала 1-го уровня ему доступна также оперативная память других модулей АС-6, в том числе и других ЦП. Этот канал содержит два одинаковых набора по 86 шин для двухсторонней передачи информации. Скорость передачи — 8×106 байт/с при длине связи до 50 м. Объединение нескольких высокопроизводительных устройств в систему достигается с помощью специализированного модуля — коммутатора или нескольких коммутаторов 1-го уровня (К1).

Функции управления периферийными устройствами, обработку и контроль приема и передачи информации по внешним каналам выполняются периферийной машиной ПМ-6. Кроме того, эта машина организует обмен информацией между оперативной памятью 1-го уровня и внешними абонентами 2-го уровня, являясь переходным устройством сопряжения каналов 1-го и 2-го уровней. К периферийной машине ПМ-6 при помощи канала 2-го уровня подключаются обслуживаемые ею устройства 2-го уровня АС-6. Они в основном выполняют роль адаптеров для подключения внешних устройств и каналов связи к каналу 2-го уровня АС-6. Канал 2-го уровня обеспечивал передачу информации на значительные расстояния (до 500 м).

Информационно-вычислительный комплекс АС-6 — БЭСМ-6

В системе АС-6 впервые создано специальное устройство контроля и управления системой электропитания (УКУП), которое осуществляло программно-аппаратный контроль и регулирование напряжения источников питания функциональных устройств как в процессе работы, так и во время профилактической проверки системы.

В качестве внешних устройств в системе АС-6 используются внешние накопители и устройства ввода-вывода из номенклатуры ЕС ЭВМ. Для подключения к системе телефонных каналов связи предназначен телефонный мультиплексор (МТФ) и адаптеры АТФ1 и АТФ2. Для сопряжения с телеграфными линиями связи используются телеграфные мультиплексоры (МТГ).

За разработку системы АС-6 в 1982 г. была присуждена Государственная премия СССР сотрудникам ИТМ и ВТ АН СССР: В. А. Мельникову, А. А. Соколову, В. П. Иванникову, А. Ю. Бякову, В. Л. Ли, В. И. Смирнову, Л. А. Заку, В. С. Чехлову.

Получен патент на систему в целом, а также ряд патентов на отдельные ее составляющие.

Источник: vk.com

Источник: ai-news.ru

Каталог бесплатных опенсорс-решений, которые можно развернуть локально и забыть о подписках

галерея

ИИ почти всех обгонит? Прогнозы звучат громко, но есть нюансы…
Компания Anthropic получила от Amazon 5 миллиардов долларов и в обмен пообещала инвестировать 100 миллиардов долларов в облачные сервисы.
dummy-img
Загрузка: обход банковских систем кибермошенниками и проблемы с удалением углерода.
Загрузка: обход банковских систем кибермошенниками и проблемы с удалением углерода.
dummy-img
dummy-img
Взаимодействие человека и машины погружается под воду.
Взаимодействие человека и машины погружается под воду.
Image Not Found
Компания Anthropic получила от Amazon 5 миллиардов долларов и в обмен пообещала инвестировать 100 миллиардов долларов в облачные сервисы.

Компания Anthropic получила от Amazon 5 миллиардов долларов и в обмен пообещала инвестировать 100 миллиардов долларов в облачные сервисы.

Вкратце Опубликовано: Изображение предоставлено: Thos Robinson/Getty Images для The New York Times (откроется в новом окне) Джули Борт Компания Anthropic получила от Amazon 5 миллиардов долларов и в обмен пообещала инвестировать 100 миллиардов долларов в облачные сервисы.…

Апр 21, 2026
dummy-img

Как почистить виниловые пластинки (2026): пылесос, ультразвук, чистящий раствор, щетка.

Эти щелчки и треск недопустимы. Приведите свою музыку в порядок с помощью этого удобного руководства. Источник: www.wired.com

Апр 21, 2026
Загрузка: обход банковских систем кибермошенниками и проблемы с удалением углерода.

Загрузка: обход банковских систем кибермошенниками и проблемы с удалением углерода.

Это сегодняшний выпуск The Download, нашей ежедневной новостной рассылки, которая предоставляет вам ежедневную порцию событий в мире технологий. Кибермошенники обходят системы безопасности банков с помощью незаконных инструментов, продаваемых в Telegram. В центре по отмыванию денег в Камбодже…

Апр 21, 2026
Загрузка: обход банковских систем кибермошенниками и проблемы с удалением углерода.

Загрузка: обход банковских систем кибермошенниками и проблемы с удалением углерода.

Это сегодняшний выпуск The Download, нашей ежедневной новостной рассылки, которая предоставляет вам ежедневную порцию событий в мире технологий. Кибермошенники обходят системы безопасности банков с помощью незаконных инструментов, продаваемых в Telegram. В центре по отмыванию денег в Камбодже…

Апр 21, 2026

Впишите свой почтовый адрес и мы будем присылать вам на почту самые свежие новости в числе самых первых