-
Лекция 1: Объектив
-
Лекция 2: Аберрации
-
Лекция 3: Диафрагмы и виньетирование
-
Лекция 4: Дифракция и разрешающая способность (ссылка появится позже)
Привет, Хабр!
Меня зовут Андрей, я – специалист по оптическим системам, расчётчик и конструктор в одном лице.
Это третья статья из курса основ прикладной оптики, созданного несколько лет назад для обучения CV-разработчиков организации, где я работаю.
В этой статье мы поговорим о диафрагмах: что они из себя представляют, какие бывают и как влияют на изображение. Также разберёмся, откуда берётся виньетирование и как с ним бороться.
Тема при кажущейся простоте весьма сложна — даже в оптической литературе у неё нет единой последовательности изложения. При подготовке статьи труднее всего оказалось выбрать, какой необходимый минимум рассказывать (а что опустить) и как выстроить текст так, чтобы он легко читался и воспринимался. Думаю, и фотографы, и специалисты по компьютерному зрению найдут здесь что-то новое. Если что-то останется непонятным — прошу в комментарии.
Статья сочетает как упрощённые идеи из теории оптических систем, так и мой личный опыт, накопленный при работе с системами технического зрения.
Дисклеймер
Напомню, что курс – не полный и не избыточный. У него нет цели создать комплексное понимание оптики; он лишь объясняет конкретный ряд вопросов, с которыми чаще всего сталкиваются специалисты по техническому зрению, работающие с покупными объективами. Назначение курса ‒ быстрое обучение и практическая шпаргалка для CV-программистов.
Введение
В первую очередь определимся с терминологией, чтобы разговаривать на одном языке, при этом удерживая баланс между строгостью оптических терминов и интуитивно привычными понятиями.
Диафрагма ‒ непрозрачная материальная преграда, ограничивающая прохождение лучей в объективе. Простейшая диафрагма ‒ лист картона с отверстием.
Кадр ‒ изображение, получаемое с сенсора. То, что мы видим на мониторе при использовании объектива с камерой. Термин нужен для того, чтобы не путаться с изображением как понятием геометрической оптики в том виде, в котором оно выведено в первой статье.
Объектив ‒ объектив фотоаппарата или другой подобный объектив, работающий совместно с цифровой камерой. То, что чаще всего покупается как коробочное решение для задач типа «найти брак на конвейере» или «детектить шоплифтеров в аптеке». Объективы, которые достаточно точно описываются школьной теорией тонкой линзы.
Особые типы объективов, имеющих необычные свойства (телецентрические, ортоскопические и т.д.) будут либо упомянуты отдельно, либо не упомянуты вовсе. Немного переиначивая Джека Воробья, «они для тех, кто уже знает, для чего их применять».
Три типа диафрагм
Диафрагмы нужны для управления световым потоком, проходящим через оптический прибор. Всё влияние диафрагм на изображение происходит как следствие изменения геометрии и перераспределения интенсивности этого светового потока.
Теория оптических приборов выделяет три типа диафрагм, которые могут существовать в оптической системе:
-
Апертурная
-
Полевая
-
Виньетирующая
Рассмотрим каждую из них отдельно.
Апертурная диафрагма
Это та самая лепестковая диафрагма (другое название – ирисовая, от лат. iris «радужная оболочка глаза»), которая встречается практически в каждом покупном объективе.
Апертурная диафрагма напрямую управляет количеством света, которое проходит сквозь объектив. Если мы уменьшаем диаметр апертурной диафрагмы, то света в объектив проходит меньше, и изображение темнеет.
Казалось бы, всё очевидно, в чём подвох? Возьмём лист картона, вырежем в нём маленькое отверстие и закроем им объектив. Света прошло меньше ‒ картинка потемнела.
Подвох в том, что если провести такой эксперимент, то мы увидим интересное явление – яркость в центре не изменится, а края кадра почернеют. Возникнет виньетирование. При этом, если даже очень сильно закрыть диафрагму самого объектива, то кадр потемнеет равномерно.
В этом и состоит одно из ключевых свойств апертурной диафрагмы: её закрытие не приводит к затемнению краёв кадра. Более того ‒ если виньетирование присутствовало, то при закрытии апертурной диафрагмы оно ослабевает или даже исчезает. Это происходит из-за взаимодействия апертурной и виньетирующей диафрагм (объяснение будет ниже, в главе про виньетирование).
Этот эффект не зависит от конструкции диафрагмы. Неважно, сколько в диафрагме лепестков и из чего они сделаны. Если разобрать объектив, вынуть из него диафрагму, сделать прорезь в объективе и вставлять внутрь картонки с разными отверстиями, то эффект сохранится. Эффект зависит исключительно от положения диафрагмы в оптической системе.
У апертурной диафрагмы есть ещё ряд хитрых свойств, но они важны в первую очередь для оптического расчёта. Например, упоминаемые в прошлой статье аберрации широких пучков зависят от диаметра входного зрачка, который, в свою очередь, напрямую зависит от диаметра апертурной диафрагмы. Но знание этих свойств слабо применимо в работе обычного CV-программиста, поэтому мы их опустим.
В объективе существует только одно место, где возможно правильное расположение апертурной диафрагмы. Оно задаётся в начале расчёта оптической системы, так как аберрации зависят в том числе и от положения апертурной диафрагмы. Затем, при разработке конструкции объектива, механическую лепестковую диафрагму размещают строго там, где по расчёту должна располагаться апертурная диафрагма.
Обычно апертурная диафрагма имеет круглую форму. Это следствие осесимметричности линзовой системы. Однако бывают и прямоугольные апертурные диафрагмы:

Для снижения светорассеяния диафрагмы, как и все внутренние поверхности объективов, красят в чёрный цвет.
А если в объективе нет лепестковой диафрагмы? Есть ли тогда в нём апертурная?
Есть. Апертурная диафрагма ‒ это не конкретная деталь, а физическое свойство одного из компонентов оптических систем. С точки зрения строгой теории оптических приборов, апертурная диафрагма ‒ это такая диафрагма, которая наблюдается из осевой точки предмета под наименьшим углом (проще говоря, имеет минимальный видимый через объектив диаметр). Если мы посмотрим в объектив на просвет с достаточно большого расстояния, то наименьшая из линзовых оправ, которую мы увидим, и будет апертурной.
|
Интересный факт Чаще всего в современных трансфокаторах (объективах с переменным фокусным расстоянием) ставят диафрагму, автоматически изменяющую диаметр в зависимости от освещённости, так называемую DC-Iris (Direct Current IRIS). В этом случае, чтобы управлять диафрагмой самостоятельно, необходимо доработать объектив по части электроники. |
Прыжок апертурной диафрагмы
Существует «прыжок» апертурной диафрагмы. Он происходит, когда в оптической системе появляется другая диафрагма, угловой размер которой из осевой точки предмета меньше, чем из апертурной. Поскольку «апертурная диафрагма» – это свойство наименьшей диафрагмы, то в момент появления этой второй диафрагмы она становится апертурной. Апертурная диафрагма как бы «перепрыгивает» на неё.
Этот эффект можно наблюдать в подзорных трубах, биноклях и оптических прицелах. Пока подзорная труба лежит сама по себе, её апертурная диафрагма ‒ оправа передней линзы. Но в тот момент, когда подзорную трубу подносят к глазу, общим оптическим прибором становится тандем «подзорная труба + глаз наблюдателя», самой маленькой диафрагмой в этом «приборе» становится зрачок глаза наблюдателя ‒ и он мгновенно превращается в апертурную диафрагму. В этот момент, если смотреть в объектив, можно видеть, как по его передней поверхности как бы плавает увеличенный человеческий зрачок. Этот зрачок ‒ и есть истинный входной зрачок тандема.
|
Интересный факт Когда продавцы прицелов и биноклей указывают диаметр выходного зрачка (exit pupil) в 6-8 мм ‒ это маркетинговая ложь. Диаметр выходного зрачка телескопических систем всегда равен диаметру зрачка глаза пользователя (2-3) мм. Грамотный оптический расчёт такой системы основывается именно на этом факте (используется диаметр зрачка глаза + пределы его децентрировки от оптической оси). |
Внимательный читатель может заметить противоречие в вышеуказанных тезисах:
-
Закрытие апертурной диафрагмы не вызывает виньетирования. Более того, при её закрытии виньетка (видимое затемнение краёв) исчезает.
-
Апертурная диафрагма может перепрыгнуть с одной поверхности на другую. Например, с лепестковой диафрагмы на заслонку с маленьким отверстием.
-
Но если заслонкой с маленьким отверстием закрыть переднюю линзу объектива, то практически весь кадр, кроме центра, потемнеет (появится сильная виньетка).
На самом деле противоречия нет. Да, когда мы ставим заслонку с отверстием перед объективом, согласно оптической теории, заслонка становится апертурной диафрагмой. Но заслонка одновременно становится и виньетирующей диафрагмой. Более того, в этот же момент некоторые оправы линз, ранее не мешавшие прохождению света, тоже могут стать виньетирующими диафрагмами и начинают вызывать виньетку. «Прыгать» по объективу может не только апертурная диафрагма.
Апертурная диафрагма обладает свойством свободы от виньетирования только тогда, когда весь объектив рассчитан под положение и размер апертурной диафрагмы. Правильное положение апертурной диафрагмы в объективе крайне важно.
Практический вывод из этого ‒ попытка затемнить кадр нештатной заслонкой чаще всего испортит картинку. Если необходимо затемнить картинку сильнее, чем позволяет штатная диафрагма ‒ стоит использовать нейтральный светофильтр (ND filter).
Апертурная диафрагма и перспектива
Перспектива ‒ способ отображения объемных предметов на плоскости, передающий их расположение и размеры относительно друг друга и наблюдателя. Трёхмерный мир переносится на плоский сенсор согласно законам перспективы.
Существует три вида перспективы:
-
Этноцентрическая (естественная, нормальная) ‒ самая привычная. То, как мы воспринимаем мир глазами, и как он фотографируется через обычную оптику. Чем дальше предмет, тем меньше он рисуется на плоскости.
-
Телецентрическая (ортоскопическая, ортографическая, чертёжная) ‒ проекция чертежей. Предметы рисуются одинакового размера, вне зависимости от дальности.
-
Гиперцентрическая ‒ обратная нормальной. Чем дальше предмет, тем он больше на плоскости кадра. В окружающем мире не встречается, если только её специально не создать.

Теперь введём понятие главного луча (chief ray). Это луч, идущий от краевой точки предмета и проходящий через центр апертурной диафрагмы. Главным его называют потому, что он определяет размер (высоту) изображения:

И последний штрих ‒ немного усложним школьную теорию тонкой линзы.
|
Интересный факт Тонкая линза ‒ чрезвычайно упрощённый частный случай общей теории идеальной оптической системы, разработанной Фридрихом Гауссом в XIX веке. Эта теория до сих пор активно используется при габаритных оптических расчётах. Чтобы почувствовать разницу ‒ тонкую линзу изучают в школе 1-2 урока, а теорию оптических систем в университете ‒ целый семестр (как фундамент для дальнейших спецдисциплин). Однако для практической работы CV-программистов упрощённой тонкой линзы более чем достаточно. Модель pinhole камеры из библиотеки OpenCV с точки зрения оптики ещё проще, но свои функции она более чем выполняет 🙂 |
В школьной версии главный луч BB’ проходит через центр линзы (точку пересечения линзы с оптической осью). Но как мы отметили выше, главный луч всегда проходит через центр апертурной диафрагмы. Противоречия тут нет. В тонкой линзе апертурная диафрагма по умолчанию совмещена с плоскостью линзы.
Если же апертурная диафрагма, как это практически всегда бывает, не совмещена с эквивалентной объективу тонкой линзой, то она формирует разные типы перспектив:
-
Апертурная диафрагма перед фокусом объектива: этноцентрическая перспектива.
-
Апертурная диафрагма точно в фокусе объектива: телецентрическая перспектива.
-
Апертурная диафрагма за фокусом объектива: гиперцентрическая перспектива.

В тонкой линзе, где апертурная диафрагма и плоскость тонкой линзы совмещены, тоже формируется нормальная перспектива. Но это интересно только для оптических расчётов ‒ в реальных объективах такого совмещения практически не бывает.
Игры с перспективой позволяют делать интересные фотографии:

Подробнее можно посмотреть в ролике ниже, из которого взяты кадры с домино. К сожалению, в процессе съёмки автор поменял доминошки местами.
С этноцентрической (нормальной) перспективой все знакомы, её создают обычные объективы. Гиперцентрическая перспектива в техническом зрении не используется. А телецентрическая перспектива позволила создать телецентрический объектив (о нём подробно будет рассказано далее).
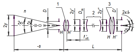
Входной и выходной зрачок
Кратко о входном зрачке рассказано в первой статье:
Входной зрачок определяет максимальный диаметр пучков, которые могут пройти через объектив. Диаметр входного зрачка объектива – это не диаметр его первой линзы и не диаметр самой диафрагмы. Это диаметр изображения диафрагмы, наблюдаемое, если смотреть внутрь объектива. На размер и положение входного зрачка влияют линзы, стоящие перед диафрагмой; линзы после диафрагмы на входной зрачок не влияют.
Поскольку апертурная диафрагма материальна, то она одновременно служит предметом для двух оптических подсистем: половины объектива перед ней и половины объектива за ней. Итого, апертурная диафрагма имеет два изображения, которые называются входной и выходной зрачки. Часть объектива перед диафрагмой формирует изображение апертурной диафрагмы в пространстве предметов (входной зрачок), а часть объектива за диафрагмой ‒ изображение апертурной диафрагмы в пространстве изображений (выходной зрачок).
Когда вы смотрите внутрь объектива и видите диафрагму ‒ технически, вы видите не саму апертурную диафрагму, а именно входной зрачок. Напомню, F# на объективе ‒ это не отношение фокусного расстояния к диаметру диафрагмы, а отношение фокусного расстояния к диаметру входного зрачка.
|
Интересный факт У некоторых специфических оптических систем материальная апертурная диафрагма расположена вне объектива. Если апертурная диафрагма стоит перед объективом, то говорят, что апертурная диафрагма [одновременно] является входным зрачком. Если же она расположена за объективом ‒ то, соответственно, апертурная диафрагма служит выходным зрачком. |
Полная теория зрачков чрезвычайно обширна и сложна. Она имеет смысл только для профессиональных оптиков, а если работать с покупными комплектами «объектив плюс камера», то достаточно знать свойства апертурной диафрагмы. В подавляющем большинстве случаев свойствами зрачков можно пренебречь. Однако, чтобы правильно объяснить некоторые особенности виньетирования, о зрачках необходимо упомянуть. А пока ‒ несколько интересных фактов о зрачках:
Зрачки используются для стыковки оптических систем
Лучшая стыковка ‒ когда выходной зрачок первой системы совпадает с входным зрачком второй. При невыполнении этого условия где-нибудь да вылезет виньетирование. Чаще всего используется при стыковке осветительной и изображающей систем (микроскопы с конденсорами, проекторы и т.д.). Упоминаемый выше факт с подзорной трубой, глазом и прыжком диафрагмы ‒ пример такого совмещения. Выходной зрачок телескопической системы совмещается с входным зрачком глаза наблюдателя, а линзы шире необходимого делают для того, чтобы не появлялось виньетирование при децентрировке глаза относительно трубы.
Интересная особенность стыковки: неважно, действительные зрачки или мнимые. Для совмещения систем они работают абсолютно одинаково.
Иногда при стыковке необходимо взаимодействовать с физическими объектами. Например, существует распространённая схема освещения по Кёлеру. Она даёт равномерное освещение от неравномерных источников света (берём лампу накаливания со сложной спиралью и получаем от неё равномерный фон). Но для реализации этой схемы необходимо поместить источник света в апертурную диафрагму. Апертурная диафрагма спрятана внутри объектива и защищена линзами с обеих сторон. Как поступить?
Тут используется свойство прикладной оптики, что изображение предмета работает так же, как и сам предмет. Зрачки ‒ изображения апертурной диафрагмы, так что взаимодействие со зрачками полностью эквивалентно взаимодействию с апертурной диафрагмой. В результате оптические системы рассчитываются так, что осветительная система строит изображение лампы во входном зрачке объектива. И на выходе системы световой поток идёт так, как если бы реальная лампа стояла внутри материальной апертурной диафрагмы.
Зрачок при расчёте оптической системы можно поместить в любое место
У обычных объективов входные зрачки мнимые и часто висят в воздухе за объективом. Собственно, вы и смотрите на апертурную диафрагму через предшествующие ей линзы объектива как сквозь лупу, а лупа даёт мнимое изображение. Но при необходимости можно так рассчитать оптическую систему, чтобы сделать входной зрачок действительным или поместить его в нужное место (перед объективом или за ним). Чаще всего это встречается в специфических оптических системах с не менее специфическими требованиями:


Разумеется, в этом случае входным зрачком служит физическая апертурная диафрагма.
Диаметр зрачка может быть больше диаметра объектива
Актуально для систем технического зрения, работающих на близком расстоянии: объективы конвейерных лент, слабые технические микроскопы и т.д.
Вспомним точное определение: апертурная диафрагма ‒ та, которая видна под наименьшим углом из осевой точки предмета. Если предмет находится близко, то диаметр входного зрачка может превысить диаметр объектива:

|
Интересный факт Часто встречается такая ошибка: при фокусировке объективов на конечное расстояние продолжают говорить, что изображение «в фокусе». Однако в оптике фокус (F) ‒ точка, куда фокусируются лучи, пришедшие из бесконечности. Теперь ещё раз взгляните на картинку. Если предмет находится на конечном расстоянии, то изображение перемещается за точку фокуса линзы (за фокальную плоскость), и расстояние от эквивалентной тонкой линзы до фокальной плоскости (f’) и до изображения (a’) становятся разными. Для предметов на конечном расстоянии расстояние от тонкой линзы до изображения не равно фокусному расстоянию объектива. Можно объяснить это проще. При фокусировке простых объективов на конечное расстояние они вывинчиваются по резьбе вперёд, увеличивая расстояние между объективом и сенсором. Но фокусное расстояние объектива в миллиметрах выгравировано на корпусе и, разумеется, изменяться не может. Соответственно, при фокусировке на конечное расстояние изображение располагается не в фокальной плоскости. При использовании модели пинхол-камеры эта ошибка (оставление в коде f’ покупного объектива вместо замены на вычисляемый отрезок a’) может привести к неправильным расчётам и результатам. Сам видел на практике. |
Положение зрачков влияет на дисторсию
Из прошлой статьи мы знаем, что на все аберрации, кроме дисторсии, влияет диаметр входного зрачка. Изменение положения входного зрачка также меняет соотношение аберраций в оптической системе. Но что ещё интереснее ‒ смещение входного зрачка может добавить дисторсию. Это происходит из-за сдвига главного луча:

На картинке выше представлены идеальная и реальная линзы, а также две траектории, по которым может идти главный луч:
-
Синяя траектория ‒ путь главного луча без диафрагмы (в ситуации, когда апертурной диафрагмой служит световой диаметр самой линзы)
-
Зелёная траектория ‒ путь главного луча, если в системе появляется диафрагма, смещённая относительно линзы
В идеальной линзе при появлении диафрагмы ничего не меняется (на то она и идеальная). Но вот в реальной линзе зелёный главный луч теперь вынужден проходить через центр входного зрачка и край реальной линзы, где он преломляется неидеально, по той же причине, которая вызывает сферическую аберрацию и кому. В итоге при вводе в систему диафрагмы возникает разница высот падений главного луча с диафрагмой и без. Так появляется дисторсия.
|
Интересный факт Существуют так называемые аберрации в зрачках. Под этим термином подразумевается отклонение реального положения зрачков от идеального. Это отклонение также учитывается при расчёте оптических систем. |
Телецентрический объектив
Как мы уже знаем, если поместить апертурную диафрагму в заднюю фокальную плоскость объектива, то главный луч, всегда проходящий через центр апертурной диафрагмы, перед объективом будет вынужден идти параллельно оптической оси. Такой ход лучей называют телецентрическим.
Ключевое свойство телецентрического хода лучей (в пространстве предметов) ‒ предметы одинакового размера, расположенные на разных расстояниях от объектива, имеют одинаковые размеры изображений, то есть такой объектив изображает предметы в телецентрической проекции. Диапазон пространства, в котором так отображаются предметы, ограничен лишь глубиной резкости.

Подробно про телецентрические объективы можно почитать на широко известном в узких кругах сайте edmundoptics.com, а конкретно здесь: https://www.edmundoptics.com/knowledge-center/application-notes/imaging/advantages-of-telecentricity/
Впервые на практике телецентрический ход лучей применил Эрнст Аббе для оптических компараторов (сравнительных устройств). В обычном объективе наводка на резкость (и даже перемещения в пределах глубины резкости) неизбежно меняет масштаб изображения, что вызывает ошибку измерения при сравнении изображения с эталонной шкалой. Телецентрический объектив принципиально лишён этого недостатка, и потому изначальное и до сих пор ключевое его предназначение ‒ высокоточные измерительные устройства. Например, такие объективы (правильнее сказать, проекционные системы с телецентрическим ходом лучей) ставят в оптические профилометры, где, помимо отсутствия ошибки масштаба, за счёт телецентрической проекции из поля зрения убирается и толщина детали, отвлекающая от контроля профиля:

Раньше такие объективы имели телецентрический ход только в пространстве предметов (т.к. формируемые ими изображения просто сравнивались с размерами шкал глазом через окуляр). С появлением сенсоров получили распространение объективы, имеющие телецентрический ход не только в пространстве предметов, но и в пространстве изображений (бителецентрические объективы). Фактически, бителецентрический объектив ‒ это два телецентрических объектива, совмещённых друг с другом по плоскости апертурной диафрагмы (вспомним, что оптические системы стыкуются друг с другом по зрачкам).
Телецентрический ход в пространстве изображений подарил дополнительное свойство: изображение формируется пучками лучей, главные лучи которых падают на сенсор перпендикулярно, что благостно влияет на виньетирование сразу по двум причинам:
-
Исчезает снижение освещённости из-за угла падения (см. раздел «Освещённость поверхности при косых лучах»)
-
Отсутствует сдвиг главного луча в микролинзах сенсора (см. раздел «Сдвиг микролинз» в главе про виньетирование)
Также телецентрический ход в пространстве изображений немного увеличивает глубину резкости.
Внимание! Объективы, телецентрические в пространстве изображений, работают корректно только вместе с камерами для телецентрических объективов. Обычный сенсор имеет сдвиг микролинз (microlens shift), который улучшает светораспределение на краях для обычных объективов, но портит его для телецентрики:

Основной минус телецентрических объективов ‒ они работают в очень небольшой области пространства, ограниченной по направлению оптической оси глубиной резкости, а по линейному полю ‒ диаметром передней линзы. Вне этого небольшого цилиндра телецентрический объектив фактически бесполезен. Кроме того, телецентрическая проекция визуально отличается от привычной нормальной перспективы, что может мешать в некоторых случаях.
Телецентрические объективы не лучше и не круче обычных, они просто другие. Используйте их только тогда, когда точно знаете, что вам нужны именно они. Во всех остальных случаях лучше предпочесть обычный объектив.
|
Интересный факт Существуют так называемые ортоскопические объективы, которые представляют собой совсем другой класс оптических систем. В ортоскопических объективах реализована нормальная проекция, но практически полностью отсутствует дисторсия. Они используются для точных измерений дальних объектов, например, при воздушной аэрофотосъёмке. Ортоскопические объективы нельзя путать с телецентрическими. |
Внимание! Под названием «телецентрический объектив» продаются три типа оптических систем:
-
Объектив с телецентрическим ходом лучей в пространстве предметов
-
Объектив с телецентрическим ходом лучей в пространстве изображений
-
Бителецентрический объектив (в вариации объектива или афокального теневого проектора)

Каждый тип предназначен для своих целей, но по незнанию их легко перепутать. Впрочем, если вы всерьёз дошли до рассмотрения использования телецентрики или других нестандартных объективов, то на этом этапе желательно, чтобы в проекте появился оптик, хотя бы в роли консультанта. Иначе можно потратить гораздо больше денег на бесполезные покупки и оплату рабочего времени непрофильных специалистов, которые попытаются собрать изначально нерабочую схему.
Глубина резкости
Тут всё просто. Уменьшение диаметра входного зрачка (закрытие апертурной диафрагмы) увеличивает глубину резкости:

Это явление можно проиллюстрировать на упрощённом примере. Считаем, что граница глубины резкости ‒ там, где общее пятно рассеивания (дефокусировка + аберрации) ещё укладывается в размер пикселя. При закрытии диафрагмы эта граница отдаляется от плоскости изображения. Соответственно, и в пространстве предметов граница глубины резкости также отдаляется от объекта наблюдения. В итоге общая глубина резкости растёт.
Короткое и наглядное видео с иллюстрацией этого эффекта:
Дифракция и падение резкости
Подробно про дифракцию я расскажу в следующей статье. В контексте диафрагм необходимо упомянуть лишь один важный момент.
Уменьшение диаметра входного зрачка (закрытие диафрагмы) повышает резкость картинки за счёт снижения аберраций. Однако такое повышение резкости происходит только до определённого предела, после которого резкость вновь начинает падать, на этот раз ‒ необратимо. Это происходит из-за того, что дифракционное размытие (которое увеличивается при закрытии диафрагмы) становится слишком большим и начинает перебивать падение аберраций.
Более подробно этот эффект описан в хорошей статье https://vt-tech.eu/articles/foto/277-tablitsa-kharakteristik-matrits-tsifrovykh-fotoapparatov.html, в третьей части, про дифракцию.
Полевая диафрагма
Теперь рассмотрим второй тип диафрагм, существующих в оптических системах.
Полевая диафрагма, как это видно по названию, определяет поле зрения. Естественным образом присутствует в оптических системах, работающих с глазом: подзорных трубах, биноклях, микроскопах. Чаще всего она служит для отсечения тех полей, качество изображения в которых становится ниже допустимого (мы помним, что полевые аберрации растут при увеличении поля). Всегда видится резкой. Чаще всего круглая.

В обычных парах «объектив + камера» полевая диафрагма отсутствует, знать её свойства нет необходимости. Оптическим эквивалентом полевой диафрагмы служит геометрический размер светочувствительной области сенсора:

Примеры расчёта полей и производных параметров приведены в первой статье цикла, в разделе «Пример расчёта угловых полей».
|
Интересный факт Полевая диафрагма всегда видится резкой потому, что её положение совпадает с положением действительного изображения. Однако в старых фильмах при имитации наблюдения в подзорную трубу или бинокль полевая диафрагма размыта. Это вынужденное отступление от реальности: в кинокамере конструктивно невозможно поместить физическую диафрагму-имитацию бинокля точно на киноленту или матрицу. Проблема исчезла сама собой при развитии цифровых технологий обработки кино. |

Виньетирование
В классической оптике виньетирование ‒ срезание наклонных пучков в объективе, снижающее освещённость на краях кадра. Но в контексте технического зрения удобнее дать другое, более общее определение:
Виньетирование ‒ снижение яркости изображения по мере удаления от центра кадра к краю.
Технически, снижение яркости начинается при любом удалении от оптической оси, но сильнее всего заметно по углам. Потому под виньетированием в практическом смысле чаще понимают затемнение углов («виньетку»).
Как и в теории аберраций, кадр можно разделить на круговые зоны, расходящиеся из центра, и чем радиально дальше от центра будет располагаться зона, тем она темнее. «Виньетка» по краям – следы самой дальней и самой тёмной круговой зоны, попадающей в кадр:

Виньетирование ‒ комплексное явление. Его причины можно классифицировать по-разному, но проще дать списком всё, что может вызывать затенение краёв:
-
Площадь входного зрачка для наклонных пучков меньше, чем для осевого пучка
-
Освещённость поверхности при косых лучах падения снижается
-
Наклонные пучки частично срезаются оправами
-
Наклонные пучки могут экранироваться нештатными элементами объектива
-
Сдвиг микролинз не соответствует углу падения главных лучей
Рассмотрим их подробнее.
Площадь входного зрачка для наклонных пучков меньше, чем для осевого пучка
Если мы смотрим прямо в объектив, то входной зрачок ‒ круглый. Но любой круг при взгляде под углом сплющивается в эллипс. То же самое происходит со входным зрачком для наклонных пучков:

Разумеется, поскольку эллипс по площади меньше круга, то через эллиптический зрачок проходит меньше света.
Освещённость поверхности при косых лучах падения снижается
Если световой поток падает на поверхность под углом, то освещённость этой поверхности меньше, чем при перпендикулярном падении. Освещённость падает пропорционально косинусу 4й степени между углом падения и нормалью (это свойство иногда называют законом Ламберта, хотя классический закон Ламберта про иное, а косинус 4й степени ‒ практическое следствие, которое Ламберт вывел для объективов). Так как сенсор всегда перпендикулярен оптической оси, то по мере удаления от центра к краю освещённость изображения снижается.

Схожий эффект можно наблюдать, посветив фонариком на перпендикулярную и наклонную стены. На наклонной стене изображение становится больше, т.к. круг вытягивается в эллипс. Яркость фонарика при этом одинаковая. Одно и то же количество фотонов вынуждено распределяться по большей площади ‒ изображение темнеет.

Обе эти причины (уменьшение площади входного зрачка и косинус 4й степени) приводят к тому, что изображение на краях кадра темнее даже в идеальной линзе, когда световые лучи полностью проходят сквозь объектив, нигде не срезаясь:

Эти две причины присутствуют в любом объективе, даже однолинзовом (склеенные ахроматические дуплеты зрительных труб), и не зависят от его конструкции.
Наклонные пучки частично срезаются оправами

Рассмотрим это явление на чертеже:

Реальный объектив приведён к эквивалентной тонкой линзе, но с одним дополнением: перед апертурной диафрагмой размещена дополнительная физическая диафрагма. Что произойдёт в этом случае?
-
Осевой пучок (синий) проходит полностью.
-
Наклонный пучок (зелёный) начинает частично срезаться диафрагмой и проходит не весь. Чем больше угол наклона, тем больше света срезается и не доходит до изображения.
-
Начиная с предельного угла поля зрения (красный пучок), световой поток полностью отрезается диафрагмой и не доходит до плоскости изображения.
Такая диафрагма, которая не препятствует прохождению осевых пучков, но срезает наклонные и вызывает затемнение на краях, называется виньетирующая диафрагма, а явление ‒ геометрическое виньетирование.
Виньетирующая диафрагма ‒ третий и последний тип диафрагм.
Разумеется, никто не будет ставить такую диафрагму в объектив специально, но виньетирующие диафрагмы возникают сами собой. Обычно ими служат оправы линз.
Обратите внимание на предыдущую картинку: если виньетирующая диафрагма равна диаметру входного зрачка, то срезание начинается для любого наклонного пучка лучей. Чтобы этого не происходило, диаметры виньетирующих диафрагм (оправы линз) должны быть больше диаметра входного зрачка:

Кстати, именно этот эффект вызывает виньетку, если закрыть объектив картонкой с отверстием. В этом случае диаметр входного зрачка для наклонных пучков срезается гораздо сильнее, чем для осевого.
Теоретически, если сделать диаметры линз достаточно большими, то можно полностью устранить геометрическое виньетирование. Но это не делают по двум причинам:
-
Объективы получатся слишком большие и тяжёлые.
-
Качество изображения на краях станет хуже (пусть и светлее). Из второй статьи мы помним, что некоторые аберрации зависят от диаметра входного зрачка. Краевые зоны линз сильнее влияют на аберрации, потому их проще не использовать, чем бороться с их аберрационным влиянием.
|
Интересный факт Иногда виньетирование специально вводят в объектив, чтобы уменьшить влияние полевых аберраций. |
|
Интересный факт В оптических расчётах виньетирующую диафрагму иногда заменяют её изображением ‒ так же, как вместо апертурной диафрагмы используют входной зрачок. Конечно, свет срезается не на изображении, а на материальной оправе внутри объектива. Но результат получается такой же, как если бы реальная диафрагма стояла там, где стоит её изображение. |
Наклонные пучки могут экранироваться нештатными элементами объектива
Это подвид предыдущего пункта: геометрическое виньетирование могут вызвать, например, оправы светофильтров, нештатные бленды и прочие насадки, изначально в объективе отсутствующие. Причины те же, что и в предыдущем пункте, только виньетирующими диафрагмами становятся не оправы линз, а нештатные насадки:

Этот пункт вынес отдельно, чтобы особо привлечь внимание к подобному влиянию насадок. Обычно это не относится к собственным блендам объектива, которые рассчитаны специально под него ‒ но с нештатным экранированием эффект может проявиться.
Сдвиг микролинз не соответствует углу падения главных лучей

Выше я писал про сдвиг микролинз в современных сенсорах. При расчёте объективов стараются, чтобы угол падения главного луча не сильно отклонялся от требуемого угла сдвига микролинз, но это получается не всегда. Точное совпадение не требуется, даже телецентрические объективы рассчитываются с допуском на остаточную нетелецентричность. Несоответствие сдвига микролинз тоже добавляет свою, пусть и малую, долю в общее снижение освещённости на краях кадра.
Это явление иногда называют пиксельным виньетированием.
Интересные проявления виньетирования
Выше мы перечислили теоретические причины виньетирования. Сейчас предлагаю рассмотреть некоторые эффекты, часто встречаемые на практике.
Снижение виньетирования при закрытии диафрагмы
Как я уже писал, если на изображении наблюдается виньетка, то закрытие апертурной диафрагмы может её убрать. Это происходит потому, что оправы, экранирующие большой входной зрачок, не экранируют маленький:

Но помните: виньетка при закрытии диафрагмы исчезает не потому, что края становятся светлее, а потому, что центр кадра становится темнее. Освещённость в центре и на краю выравнивается.
Примечание. Если в системе технического зрения работает автоэкспозиция, то при закрытии диафрагмы обрабатывающая плата/ПЛИС может докрутить яркость всему кадру, и со стороны это будет выглядеть именно как осветление тёмных краёв.
Виньетирование в трансфокаторах (зум-объективах / вариофокальных объективах)
У современных трансфокаторов для видеонаблюдения на больших фокусных расстояниях одновременно проявляется два эффекта:
-
Картинка темнеет. В таких объективах относительное отверстие для больших фокусных расстояний ниже, чем для малых.
-
Возникает виньетирование. При смещении двигающихся линз в положение наибольшего фокусного расстояния свет начинает срезаться на оправах, на которых он раньше не срезался. Это происходит потому, что линзы уезжают вглубь корпуса объектива.
Если относительные отверстия у двух объективов по документам одинаковые, выставленный на большое фокусное расстояние трансфокатор часто даёт более тёмную картинку, чем фикс-объектив (объектив с фиксированным фокусным расстоянием). Это происходит потому, что относительное отверстие в спецификациях на трансфокаторы практически всегда указывается для малых фокусов.
Если подбирать нужное относительное отверстие на фикс-объективе, а потом купить трансфокатор, где такое же относительное отверстие написано на корпусе, можно получить неприятный сюрприз.
Некоторые производители честно указывают, как снижается относительное отверстие при изменении фокусного расстояния:

…но большинство по маркетинговым причинам предпочитает этого не делать:

|
Интересный факт Накручивание на объектив внешнего экстендера (переход с 1Х на 2Х), помимо увеличения фокусного расстояния, также снижает относительное отверстие и, следовательно, ещё сильнее затемняет изображение. Двукратный экстендер делает картинку в четыре раза темнее. |
Геометрическое виньетирование на слишком большом сенсоре
Выше мы рассматривали геометрическое виньетирование на оправах линз до апертурной диафрагмы. Но то же самое может происходить и за апертурной диафрагмой:

Если виньетирующая диафрагма располагается достаточно близко к сенсору, то мы не только наблюдаем виньетку, но и можем начать видеть саму диафрагму. Чаще всего такое происходит, когда на объектив ставится камера с сенсором больше, чем расчётный сенсор объектива (например, на объектив с типоразмером сенсора 2/3″ ставят камеру 1″).

В целом, это логично: если размер сенсора больше допустимого, то на края сенсора свет не попадёт. В оптике это понимается как 100%-е виньетирование (коэффициент виньетирования равен 1).
Чем чётче виньетка, тем ближе виньетирующая оправа располагается к сенсору:

По этой причине стоит следить, чтобы типоразмер сенсора соответствовал типоразмеру объектива. В противном случае картинку придётся кадрировать.
Обратное виньетирование

Выглядит как светлое пятно по центру. Появляется потому, что алгоритмы коррекции яркости по кадру, накручивая свет на тёмных углах, накручивают его и в центре. В результате возникает обратная картина: не «в центре хорошо, но краях темно», а «на краях хорошо, но в центре слишком ярко».
Эффект исправляется как подкруткой алгоритмов, так и, при необходимости, специально подобранными блендами, нужным образом срезающими световой поток.
Аберрационное виньетирование
Посмотрите на график. Как вам такое распределение освещённости по кадру в широкоугольном объективе?

Освещённость на краю выше, чем в центре! Эффект, которого нельзя достичь даже в идеальной линзе. Как такое происходит?

Во-первых, конечно же, ход лучей в пространстве изображений приближен к телецентрическому. Но даже идеальный телецентрический ход лучей за объективом не сделает край кадра ярче, чем центр. Тут присутствует ещё кое-что.
Так проявляется аберрационное виньетирование, которое встречается только в широкоугольных объективах. Это явление открыто Михаилом Михайловичем Русиновым, расчётная школа которого специализировалась на широкоугольных системах.
Суть аберрационного виньетирования в том, что размер входного зрачка для наклонных пучков становится больше, чем для осевого. Это достигается за счёт точно рассчитанной дисторсии, которая «растягивает» входной зрачок (мы помним, что входной зрачок ‒ не сама апертурная диафрагма, а её изображение). В результате для наклонных пучков входной зрачок не сплющивается в эллипс, как на обычных объективах, а наоборот, увеличивается в размерах.
Вы можете сами наблюдать это явление на широкоугольных объективах. Посмотрите в него прямо на просвет, а затем начните поворачивать ‒ и увидите, как увеличивается входной зрачок:


На момент написания статьи у меня под рукой был только этот чёрно-синий объектив, где эффект не проявлен достаточно ярко. Но я видел объективы, где при наклоне входной зрачок увеличивался аж в два раза.
|
Интересный факт Обратите внимание, что диаметр первой линзы совершенно не соответствует диаметру входного зрачка. Несовпадение диаметра входного зрачка и диаметра первой линзы присутствует во всех объективах, но наиболее ярко проявляется именно в широкоугольных (тут разница может достигать 10-20 раз). Диаметр первой линзы никак не связан со входным зрачком. |
Бленды
Многие путают виньетирующие диафрагмы и бленды (т.к. от неправильной бленды может возникнуть виньетка, см. «Виньетирование на нештатных элементах»), но в оптике это разные понятия. Бленда ‒ защитный экран.
Бленды иногда тоже относят к диафрагмам, но это больше вопрос классификации. В классическое трио оптических диафрагм они не входят и рассматриваются как отдельный элемент.
Бленды бывают самые разные, но принципиально можно выделить два типа:
-
Экранирующие бленды
-
Виньетирующие (лепестковые) бленды
Экранирующая бленда
Чистая экранирующая бленда не препятствует проходу в объектив наклонных пучков, формирующих изображение, но блокирует косые лучи, которые заносят в объектив паразитный свет. Паразитный свет не участвует в построении изображения, но снижает контраст картинки за счёт светорассеивания внутри объектива.


Разумеется, если бленда с этой картинки вытянется влево, то она сама превратится в виньетирующую диафрагму, перестанет работать как чистая экранирующая бленда и начнёт добавлять виньетку. Потому следует использовать собственные бленды объектива, а если и мастерить их самому, то осторожно следя за виньеткой.
Виньетирующая (лепестковая) бленда

Подтип бленд, который помогает ослабить виньетку. Такие бленды, в отличие от цилиндрических, всегда работают как виньетирующие диафрагмы: лепестками они затеняют всё, кроме углов, и тем самым выравнивают освещённость по кадру. В них работает принцип «если мы не можем добавить свет в углы, то тогда затеним более яркую область».
Разумеется, такие бленды также частично защищают объектив от косых паразитных лучей.
|
Интересный факт Посмотрите ещё раз на самую первую картинку в статье ‒ прямоугольные апертурные диафрагмы объектива Индустар-11. Там работает схожий принцип: такая диафрагма пропускает на края кадра больше света. |
Тезисы (стоит запомнить)
Статья получилась объёмной, так что в конце я бы хотел подчеркнуть тезисы, часто встречающиеся в работе с готовыми объективами:
-
Апертурная диафрагма лучше всего регулирует яркость изображения в объективе. Все остальные способы типа внешних диафрагм и светофильтров – хуже.
-
Если необходимо затемнить объектив сильнее, чем позволяет диафрагма ‒ нельзя перед объективом ставить другую диафрагму. Лучше использовать полупрозрачные материалы, равномерно затеняющие входной зрачок: нейтральные светофильтры, поляризаторы и т.д.
-
Закрытие диафрагмы снижает виньетирование.
-
Закрытие диафрагмы делает картинку чётче, но только до определённого предела.
-
Закрытие диафрагмы повышает глубину резкости.
-
При одинаковых относительных отверстиях трансфокаторы, выставленные на большое фокусное расстояние, обычно темнее фикс-объективов.
-
Диаметр первой линзы объектива никак не связан со входным зрачком.
Список литературы
Для тех, кто хочет нырнуть в вопрос поглубже:
-
В.Н. Чуриловский, Теория оптических приборов, 1966 – фундаментальное пособие по прикладной оптике.
-
Б.Н. Бегунов, Н.П. Заказнов, Теория оптических систем, 1973 – то же самое более простым языком.
Источник: habr.com



























